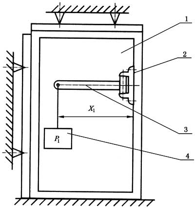
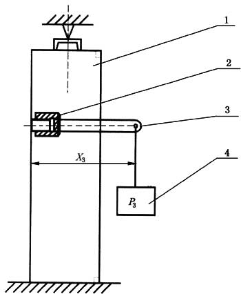
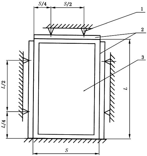
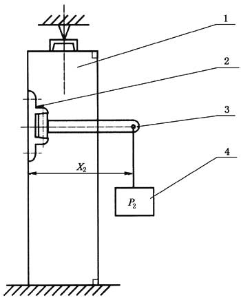
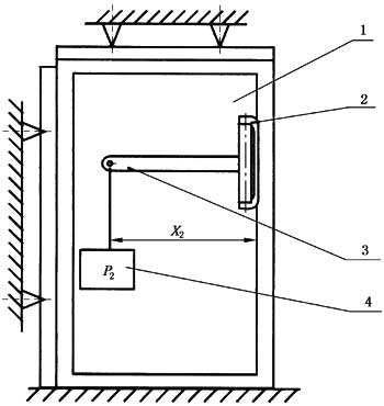
6 试验方法 6.1 消火栓箱内消防器材的配置检查 采用目视查看的方法,检查消火栓箱内消防器材的配置情况,记录所配消防器材的名称、规格型号、数量、生产单位或商标。 6.2 标志和外观质量检查 利用目视查看的方法,对箱体的标志和外观质量以及材料的外观进行检查,记录检查情况。 6.3 尺寸偏差和材料厚度测量 6.3.1 消火栓箱尺寸偏差 利用通用量具进行箱体外形尺寸偏差的测量,记录测量结果。 6.3.2 材料厚度 利用通用量具进行材料厚度的测量,记录测量结果。 6.4 箱体刚度试验 6.4.1 试验准备 将箱体按使用安装位置置于刚度试验台上,在箱体上面及左右侧面的中间处垂直平面方向,按图5所示的要求用5#槽钢支撑定位。各支点施加于槽钢上的力不超过10N。 说明: 1——支点; 2——槽钢; 3——箱体; S——箱体短边尺寸; L——箱体长边尺寸。 图5 刚度试验台 6.4.2 配置消防软管卷盘消火栓箱的试验 试验按图6所示,重锤静载5min后,检查箱体变形情况并测量其变形量。 说明: 1——箱体; 2——固定座; 3——专用杠杆; 4——重锤。 图6 消防软管卷盘消火栓箱的刚度试验 重锤质量按式(1)计算: 式中: P1——重锤质量,单位为千克(kg); X1——受力点至箱体侧面的距离,单位为米(m)。 6.4.3 挂置式、托架式消火栓箱的试验 试验时按图7或图8所示,重锤静载5min后,检查箱体变形情况并测量其变形量。 重锤质量按式(2)计算: 式中: P2——重锤质量,单位为千克(kg); X2——受力点至力矩承载箱面的距离,单位为米(m)。 说明: 1——箱体; 2——固定座; 3——专用杠杆; 4——重锤。 图7 挂置式消火栓箱的刚度试验 说明: 1——箱体; 2——固定座; 3——专用杠杆; 4——重锤。 图8 托架式消火栓箱的刚度试验 6.4.4 盘卷式消火栓箱的试验 试验时按图9所示,重锤静载5min后,检查箱体变形情况并测量其变形量。 说明: 1——箱体; 2——固定座; 3——专用杠杆; 4——重锤。 图9 盘卷式消火栓箱的刚度试验 重锤质量按式(3)计算: 式中: P3——重锤质量,单位为千克(kg); X3——受力点至箱体侧面的距离,单位为米(m)。 6.5 箱门试验 6.5.1 试验准备 试验准备同6.4.1。 6.5.2 箱门开启角度试验 将箱门开启至最大位置,用量角器测量箱门外表面与门框间的夹角并记录。 6.5.3 箱门开启拉力试验 在垂直箱门方向,用精度不低于2级的测力计测出箱门手把处的开启拉力并记录。 6.6 消防水带安置检查 利用目视和通用量具,检查消火栓箱消防水带安置情况并记录测量数据。 6.7 连接性能试验 6.7.1 将装好接口的消防水带全长平直放置,一端与室内消火栓连接,另一端连接带有开关的水枪,室内消火栓与水力试验用给水管路连接。充水排气后关闭水枪,将压力逐渐上升至0.8MPa,保压5min,然后迅速启闭水枪开关一次,保压2min后,再迅速启闭水枪开关一次,检查消防水带与接口连接部位的连接情况。 6.7.2 将装好接口的消防水带全长平直放置,一端与室内消火栓连接,另一端与箱内配置的消防水枪相连,室内消火栓与水力试验用给水管路连接。充水排气后将水枪封闭,将压力逐渐上升至0.8MPa,保压5min,检查消火栓与水带接口之间、水带接口与消防水枪之间的连接情况。 6.8 喷射性能试验 6.8.1 试验装置 充实水柱测试装置由一个带有直径为38cm圆孔的接水容器及容积计量罐组成。试验时压力测量的仪表准确度等级不低于1.6级,流量测量仪表的精度不低于0.25级。 6.8.2 充实水柱测试 试验宜在室内进行。室内消火栓、消防水带、消防水枪按实际使用条件安装好,把消防水带全长平直放置,将水枪置于喷射架上,调整好水枪轴线与水平线的夹角(仰角)至30°±2°。启动水泵,调整工作压力,当水枪进口压力达到0.35MPa且稳定时,连续向充实水柱测试装置进行喷射,测量水枪充实水柱的长度。 充实水柱的长度按式(4)计算: 式中: Sk——水枪充实水柱的长度,单位为米(m); L——充实水柱在地面上的投影距离,单位为米(m); α——水枪上仰角,单位为度(°)。 6.8.3 流量测试 用标定合格的流量计直接测量流量。 6.9 消火栓箱内配置消防器材的性能试验及尺寸测量 6.9.1 室内消火栓性能试验 6.9.1.1 室内消火栓的密封性能试验按GB 3445规定的方法进行。观察并记录室内消火栓各密封部位的密封情况。 6.9.1.2 室内消火栓的水压强度试验按GB 3445规定的方法进行。观察并记录室内消火栓阀体及阀盖是否有破裂和渗漏现象。 6.9.2 消防接口性能试验 6.9.2.1 消防接口的密封性能试验按GB 12514.1规定的方法进行。观察并记录消防接口的密封情况。 6.9.2.2 消防接口的水压强度试验按GB 12514.1规定的方法进行。观察并记录消防接口是否出现裂缝或断裂现象。 6.9.2.3 水带接口的跌落试验按GB 12514.1规定的方法进行。观察并记录接口是否有损坏现象。 6.9.3 消防水带性能及尺寸试验 6.9.3.1 长度测量 展开水带,用最小分度值为1mm的通用量具测量消防水带的长度。 6.9.3.2 密封性能及扭转方向试验 将消防水带全长平直放置,一端与室内消火栓连接,另一端连接带有开关的水枪,室内消火栓与水力试验给水管路连接。充水排气后关闭水枪,将压力逐渐上升至0.8MPa,保压2min,检查消防水带全长是否有渗漏现象;沿水流方向看,观察其扭转方向。 6.9.3.3 耐压性能试验 将消防水带截取1.20m长的试样,用专用夹具将试样夹紧,保持试样平直。将试样一端与水压源相接,另一端用带有排气阀的专用夹具封闭。试样灌满水并排尽其中空气,关闭排气阀,缓慢而均匀地升压至1.2MPa,保压5min,检查试样是否有渗漏现象。然后继续升压至2.4MPa,保压5min,观察试样是否爆破。 6.9.4 消防水枪性能试验 消防水枪的密封性能及耐水压强度试验按GB 8181规定的方法进行。观察并记录消防水枪枪体及各密封部位的情况。 6.9.5 消防软管卷盘性能试验 6.9.5.1 性能参数试验 6.9.5.1.1 消防软管卷盘的流量和射程试验按GB 15090规定的方法进行,观察并记录其数值。 6.9.5.1.2 软管内径试验按GB 6246规定的内径测量方法进行,其中测量工具通止规的尺寸D1和D2如表3所示。 6.9.5.1.3 利用通用量具测量并记录软管的长度。 表3 软管内径的通止规尺寸 单位为毫米 6.9.5.2 操作性能试验 在软管盘回转中心处垂直于盘轮平面方向,用测力计测出驱使消防软管卷盘作水平摆动的最大拉力,用量角仪测量其摆动角度并观察摆动时的现象。 使软管完全缠绕,在软管盘两侧外沿连线中点悬挂重物,逐渐增加悬挂物质量,直至软管盘开始旋转。计算悬挂物所产生的力矩。 6.9.5.3 连接性能试验 把软管从软管盘内全长拉出,将进水口与水压试验台相连,待腔内和管路系统内空气排除后,关闭开关喷嘴,将压力逐渐上升至0.8MPa,保压2min,检查软管与软管盘进、出口的连接情况;检查软管盘内各密封部位、软管与软管盘连接部位、软管与开关喷嘴连接部位、软管与进口阀连接部位的情况。然后将压力逐渐上升至1.2MPa,保压2min,检查各零件是否有变形或损坏。 6.9.5.4 进水控制阀的水压强度试验 将消防软管卷盘进水控制阀进水口与水压试验台相连,待腔内空气排除后封住出水口,压力逐渐上升至2.4MPa后,保压2min,检查其阀体的状况。 6.9.5.5 抗冲击性能试验 如图10所示,利用摇臂将消防软管卷盘紧固在冲击试验架上,软管盘转轴处于水平位置。用一截面为100mm×25mm的钢梁架于盘轮上方正中位置,质量为25kg的圆形重锤从300mm高处自由落下,冲击钢梁中部。 冲击一次后,将软管从软管盘内全长拉出,从入口加压力水,待腔内和管路系统内空气排除后,关闭开关喷嘴,将压力逐渐上升至0.8MPa,保压2min,检查软管缠绕轴是否变形,所有部位是否有渗漏现象。 说明: 1——重锤; 2——钢梁; 3——消防软管卷盘。 图10 消防软管卷盘的抗冲击性能试验 6.9.5.6 负荷性能试验 如图11所示,利用摇臂将消防软管卷盘紧固在试验架上,软管盘转轴处于水平位置。用细钢丝绳将质量为80kg的重锤悬挂于外侧盘轮的轮缘上,静载72h后,按6.9.5.5中规定冲击后的试验方法进行试验,试验后检查软管缠绕轴是否变形,所有部位是否有渗漏现象。 说明: 1——夹具; 2——钢丝绳; 3——消防软管卷盘; 4——重锤。 图11 消防软管卷盘的负荷性能试验 6.9.5.7 软管性能试验 在软管全长上任意截取1m长试样,一端与水源相接,另一端封闭固定,充水并排尽空气后,逐渐升压至1.2MPa,保压2min,观察软管有无渗漏现象;再升压至2.4MPa,保压2min,观察软管的膨胀情况及是否破裂。 6.9.6 电器设备性能试验 6.9.6.1 消火栓按钮检验 消火栓按钮性能试验方法按GB 16806-2006中5.12的规定进行。观察并记录其试验的情况。 6.9.6.2 应急照明灯试验 试验程序如下: a)使充电24h的应急照明灯转入应急状态,检查荧光灯光源的应急照明灯的启辉器启动情况(必要时可将启辉器短路),并记录转换时间,再开始计时,直到电池达到其终止电压,记录应急工作时间。 b)调节试验装置分别使应急照明灯的主电供电电压为242V和187V,检查其工作状态。将消防应急灯具的主电插头接入试验装置,使其处于主电状态,调节试验装置,使输出电压下降,直至消防应急灯具转入应急状态,记录输出电压;再使输出电压上升,直至消防应急灯具恢复到主电状态,记录输出电压。 c)分别测量照明灯在额定电压供电时的光通量和应急状态时的光通量。 d)检查应急照明灯的外壳和内部连线及接地情况。 6.9.6.3 音响警报器的试验 用声压级在距离音响警报器1m远处测量其发出的音响,记录试验结果。 将音响警报器的电压调节至额定工作电压的85%,用声压级在距离音响警报器1m远处测量其发出的音响,记录试验结果。 6.9.6.4 绝缘电阻试验 试验设备应满足下列要求: ——试验电压:500V d.c.±50V d.c.; ——测量范围:0MΩ~500MΩ; ——最小分度:0.1MΩ; ——计时:60s±5s。 试验时,通过绝缘电阻试验装置,分别对试样被试的部位施加500V d.c.±50V d.c.直流电压,持续60s±5s后,测量其绝缘电阻值。试验时,应保证接触点有可靠的接触,引线间的绝缘电阻应足够大,以保证读数正确。 绝缘电阻也可用兆欧表或摇表测试。