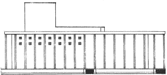
2 多层和高层钢筋混凝土结构的一般规定 2.1 一般规定 2.1.1 目前国内采用的现浇钢筋混凝土结构体系大致有:框架结构、剪力墙结构、框架-剪力墙结构、部分框支剪力墙结构、板柱-剪力墙结构、筒体结构(包括框架-核心筒结构、框筒结构、筒中筒结构等)、巨型结构、悬挂结构等等。 说明:以上所列,为国内多层与高层钢筋混凝土建筑所用的结构体系。本措施中剪力墙即抗震墙。 在有些资料中,将框架-筒体结构列为一种体系,有人误以为它就是框筒结构,这是误解。 框筒结构,是英文Framed-Tube的简称,一般指房屋周边布置了间距较密的柱子(间距常为4m左右),柱子之间由具有一定刚度的窗裙梁刚性连接,形成一个由框架组成的、抗侧刚度较大的筒体,简称为框筒。 框架-筒体结构,是指房屋周边为稀柱框架(柱间距常为8m左右或更大),中间有一个钢筋混凝土筒体,其内部为楼、电梯间及机电用房等。其受力特性与框架-剪力墙结构相似,区别在于其剪力墙形成一个封闭筒,不是单片墙。它的抗侧刚度一般小于框筒结构。在国外,此类结构称为Frame-Corewall,即框架-核心筒结构,它实质是框架-剪力墙结构的一种。其名称也不宜称为框架-筒体结构,因为这样易与框筒结构混淆,以称为框架-核心筒为宜。2002年版国家规范已将框架-筒体结构改称为框架-核心筒结构,现行国家规范也如此。因为有实腹核心筒,我国规范将框架-核心筒结构归入“筒体结构”类,但它与框筒结构抵抗水平荷载的受力性能不同,设计中应注意区分。 2.1.2 本措施的内容仅包括应用较广泛的框架结构、多层和高层剪力墙结构、框架-剪力墙结构、板柱-剪力墙结构、筒体结构等。这些结构的最大适用高度可参见现行有关规范、规程及本措施相关章节。 规范、规程中各种结构体系的“最大适用高度”,并非“限制高度”。所谓“最大适用高度”的含义是,综合考虑不同结构体系的抗震性能、经济和合理使用及震害经验诸方面,其适用的最大高度。例如,我国规定的剪力墙结构的适用高度就比一些西方发达国家的限制高度要高,因为我国对于钢筋混凝土剪力墙结构有大量丰富的实践经验,但是在9度地震设防区,对剪力墙的高度限制是较严的;B级高度的规定也是在近年来我国实践经验的基础上做出的规定。 《高层建筑混凝土结构技术规程》JGJ 3-2010将高层建筑分为A级和B级高度,主要是它们的结构设计和构造要求有所差别,B级比A级建筑高度高,设计要求更高。如果所设计的房屋高度超过了规范、规程规定的高度,则规范、规程中的内容不一定完全适用,须通过专门研究并考虑采取有效的加强措施,以保安全。当然,同时也应按规定程序,报请有关部门审查。 随着科学技术的进步,房屋的高度可以越建越高,这是自然规律。事实上,突破B级高度的高层建筑已经建成不少,我们的规范、规程是不会加以限制的。因此,所谓规范的“限高”,可以说是对规范的一种误解。 2.1.3 房屋的高宽比 高宽比不宜作为结构设计中的一项限制指标。尚未见到国外抗震规范中对于高宽比的限制。 在《高层建筑混凝土结构技术规程》JGJ 3-2010中有关高宽比的要求,是“适用的最大高宽比”。这个用词,与“最大适用高度”相似,同样不是限制。《高层建筑混凝土结构技术规程》JGJ 3-2010已明确为“不宜超过”,也即不做硬性规定。高层建筑的高宽比是对结构刚度、整体稳定、承载能力和经济合理性的宏观控制,在结构设计满足规定的承载力、稳定、抗倾覆、变形和舒适度等基本要求后,仅从结构安全角度讲高宽比限值不是必须要满足的,不应将高宽比作为超限的指标。当高宽比超过适用值时,应采取一定的加强措施,以保安全。 说明:在80年代初期,我国高层建筑事业刚开始兴起,许多设计人员缺乏经验需要一些指导,所以,有一些从事过高层建筑设计的工程师,联合编了一本《高层建筑设计指南》,就是后来《高层建筑混凝土结构技术规程》的前身。当时为了帮助缺少经验的工程师进行设计,定了一些要求,包括高宽比,沿用至今。 实际工程中,常常无法准确计算高宽比。如图2.1.3-1,A和B二栋建筑的宽度相同,但其在Y方向的抗侧刚度明显不同:B优于A,但无法简单从高宽比体现出来。有人认为可以用材料力学的方法,将复杂的平面形状“折算”成矩形平面,然后计算其高宽比。但材料力学的方法只适用于匀质体,实际工程中建筑物平面上抗震墙的布置不匀,柱网也变化多端,无法准确折算。 图2.1.3-1 高宽比计算示意 高宽比限制值是一个经验性的规定,一般情况下符合高宽比限制值要求的建筑比较容易满足侧移限制,而侧移限制才是最根本的要求。因此,只要结构的位移、位移比和舒适度能够满足规范、规程的要求,可以放松高宽比的限制。 在审图时,不应把高宽比作为超限的内容之一。高宽比实质上是一个经济问题而不是安全问题。 实例如下:图2.1.3-2是纽约780 Third Avenue办公大楼,1983年完成,是世界第一栋具有斜撑(将特定的窗户封死巧妙形成斜撑)的混凝土框筒结构,50层,外墙为密排柱,平面尺寸为38m×20.9m,高宽比为8.1;图2.1.3-3是纽约卡内基大楼,平面尺寸为15m×23m,依靠外筒抵抗风力,无内柱或内筒,楼高230m。纽约虽非地震区,但风力很大,常有大西洋飓风,以上两栋建筑如此大的高宽比值得我们思考和借鉴。 再如2011年建成的深圳京基大厦,主楼高宽比为9.5。深圳抗震设防烈度为7度,基本风压为0.75KN/m2,地震作用和风力均不小,也可作为例证。 2.1.4 钢筋混凝土房屋应根据设防烈度、结构类型和房屋高度,按照有关规范、规程,采用不同的抗震等级,并应符合相应的计算和构造要求。在选用抗震等级及相关问题上,应注意下列各点: 1 甲类建筑,当本地区抗震设防烈度为6~8度时,其抗震等级应按设防烈度提高1度选用。当抗震设防烈度为9度时,应按比9度更高的要求采用抗震措施;当建筑场地为Ⅰ类时,应允许仍按本地区抗震设防烈度的要求采取抗震构造措施。 2 乙类建筑,当本地区抗震设防烈度为6~8度时,其抗震等级应按设防烈度提高1度选用。 当抗震设防烈度为9度时,如其高度属于《高层建筑混凝土结构技术规程》JGJ 3-2010中的A级高度应采用特一级抗震等级,B级高度应按比9度更高的要求采用抗震措施。 当建筑场地为Ⅰ类时,应允许仍按本地区抗震设防烈度的要求采取抗震构造措施。 3 丙类建筑:应按本地区抗震设防烈度确定其抗震措施;当建筑场地为Ⅰ类时,除6度外,应允许按本地区抗震设防烈度降低一度的要求采取抗震构造措施。 4 Ⅲ、Ⅳ类场地时,对设计基本地震加速度为0.15g和0.30g地区的建筑物,宜分别按抗震设防烈度8度(0.20g)和9度(0.40g)的要求采取抗震构造措施。 甲、乙类建筑以及建造在Ⅲ、Ⅳ类场地且设计基本地震加速度为0.15g和0.30g的丙类建筑,按规定提高一度确定抗震等级时,如果房屋高度超过提高一度后对应的房屋最大适用高度,则应采取比对应抗震等级更有效的抗震构造措施。 说明:例如抗震设防烈度8度设计基本地震加速度为0.2g的乙类建筑,采用框架-剪力墙结构,当房屋高度超过50m时,可参照如下原则确定抗震等级:1)这种混凝土框架-剪力墙的抗震等级,按《建筑抗震设计规范》GB 50011-2010第6.1.3条的规定,应经专门研究采取比一级更有效的抗震构造措施;2)对框架-剪力墙结构,抗震措施的提高可仅提高剪力墙或剪力墙与框架同时提高,剪力墙与框架的提高可包括单独增大内力调整系数、单独增加构造配筋或同时增大内力调整系数和增加构造配筋(《高层建筑混凝土结构技术规程》JGJ 3-2010中的特一级即同时增大内力调整系数和增加构造配筋),还可以仅对关键部位提高抗震措施;3)具体如何提高抗震措施,需要考虑房屋超过50m的程度、场地类别和地基条件、建筑的规则性和剪力墙承担的地震倾覆力矩的大小等因素,在上述多种方案中进行选择,采用合适的方案,这就是专门研究的含义。例如:一般情况,当高度超过50m不多时,可将抗震墙的构造措施按特一级采用,框架不提高;当高度接近8度(0.2g)框架-剪力墙结构的最大适用高度时,可将剪力墙和框架的内力调整系数、构造措施均按特一级采用。 5 无上部结构的地下建筑,如地下车库等,丙类建筑的抗震等级,6、7度时四级,8、9度时不宜低于三级;乙类建筑的抗震等级,6、7度时不宜低于三级,8、9度时不宜低于二级。 6 地下室顶板作为上部结构的嵌固部位时,地下一层相关范围的抗震等级应与上部结构相同,地下一层以下抗震构造措施的抗震等级可逐层降低一级,但不应低于四级。地下室中无上部结构的部分,可根据具体情况采用三级或四级。 地下室顶板作为上部结构的嵌固部位时,地下室在地上结构相关范围的顶板应采用现浇梁板结构,相关范围以外的地下室顶板可采用现浇梁板结构,也可采用现浇板柱结构。 7 裙房与主楼相连,除应按裙房本身确定抗震等级外,相关范围(可从主楼周边外延3跨且不小于20m)不应低于主楼的抗震等级。主楼结构在裙房顶板对应的相邻上下各一层应适当加强抗震构造措施。裙房偏置时,其端部有较大扭转效应,应从结构布置和构造上予以加强。主楼与裙房分离时,应按裙房本身确定抗震等级。 8 接近或等于高度分界时,应结合房屋不规则程度及场地、地基条件适当确定抗震等级。 2.1.5 确定结构体系时应重视构件承受竖向荷载的安全性能,避免因部分结构或构件破坏而导致整个结构丧失抗震能力或对重力荷载的承载能力。对可能遭受偶然作用而发生局部破坏的竖向重要构件和关键传力部位或可能出现的薄弱部位,应采取措施提高其承载能力和抗震能力。对于倒塌可引起严重后果的重要结构,宜进行防连续倒塌设计。 说明:结构倒塌往往是由竖向构件破坏造成的,既抵抗竖向荷载、又抗侧力的竖向构件属于最重要的构件,竖向构件的设计不仅应当考虑抵抗水平力时的安全,更要考虑在水平力作用下出现裂缝和塑性铰以后,它是否仍然能够承担竖向荷载。 2.1.6 抗震结构体系宜具有多道抗震防线,宜设计具有双重抗侧力体系和多赘余度的结构体系。 说明:多道防线的概念通常指的是:1)多道设防的概念可以从超静定结构的概念中引申出来。静定结构,也就是只有一个自由度的结构,在地震中只要有一个节点破坏或一个塑性铰出现,结构就会倒塌;抗震结构必须做成超静定结构,因为超静定结构允许有多个屈服点或破坏点。将这个概念引申,不仅要设计超静定结构,抗震结构还应该做成具有多道防线的结构。第一道防线中的某一部分屈服或破坏只会使结构减少一些超静定次数。2)整个抗震结构体系由若干个(通常两个)延性较好的分体系组成,每个分体系都具有足够的刚度和承载力,可以承受一定比例的水平荷载,并由延性较好的结构构件连接起来协同工作,共同抵抗外力,特别是在地震作用下,当其中一部分损伤时,另一部分应有足够的刚度和承载力能够担当共同抵抗后期地震作用的任务。在抗震结构设计中,多道设防体系不容易倒塌,是安全可靠的结构体系。如框架-剪力墙体系是由延性框架和剪力墙两个系统组成;框架-筒体体系由延性框架和筒体两个系统组成;双肢或多肢剪力墙体系由若干个单肢墙分系统组成。3)抗震结构体系应具有最大可能数量的内部、外部赘余度,有意识地建立起一系列分布的塑性屈服区,以使结构能吸收和耗散大量的地震能量,一旦破坏也易于修复。 2.1.7 关于剧场、体育馆等大跨度公共建筑的结构体系 剧场及体育馆等建筑体型复杂,容纳人数众多,应特别注意加强整体性与构造,提高其抗震能力。 剧场及体育馆等建筑应适当多设抗侧力构件(钢筋混凝土抗震墙,混凝土或钢支撑等),以加强其抗侧刚度,尽可能减少其侧移。不宜采用纯框架结构。 剧场一般由前厅、观众厅及后台(包括舞台)三部分组成。这三部分建筑的体型、高度、跨度等相差悬殊。当受到地震作用时,其各部分的侧移也将相差较多,因而容易造成损坏。因为观众厅内人数很多,地震时即使主体结构不倒塌,如果围护结构局部掉落,也将造成人身伤亡事故。 因此,我们在设计剧场一类建筑时,应特别加强其各部分的抗侧刚度,使其即使在遇到强震时,侧移的绝对值也较小,减少以至避免损毁。 除对于主体结构要精心设计,适当增加安全度并加强其抗侧刚度外,对于围护结构应特别注意加强与主体结构的拉结。不宜采用预制柱及后砌填充墙的做法,因为此种做法后砌填充墙与柱子的拉结常常不可靠。在地震时,有可能主体不倒而填充墙倒塌,造成人员伤亡。 图2.1.7-1~4所示,是中美洲国家尼加拉瓜首都马拿瓜的国家剧院(从立面、剖面可以看出前厅、观众厅及后台三部分如前所述体型、高度、跨度等相差悬殊)。在1972年发生强震时,城市中大部分建筑物倒塌,但该剧院虽受剧烈震动,门厅内大理石柱子上的音乐家头像都掉落在地面上,但整个建筑完好无损,甚至大理石贴面都毫无破坏。该剧院强震完好的关键原因如2.1.7-3平面图中所示。设计师在适当部位加设了剪力墙,因而提高了建筑物的抗侧刚度,使结构具有良好的抗震性能。 图2.1.7-1 马拿瓜国家剧院正立面 图2.1.7-2 马拿瓜国家剧院侧立面 2.1.8 抗震设计的框架结构,不宜采用单跨框架。甲、乙类及高度大于24m的丙类建筑,不应采用单跨框架。 图2.1.7-3 马拿瓜国家剧院平面 (图中:外围是框架,粗黑线表示剪力墙) 图2.1.7-4 马拿瓜国家剧院剖面 说明:震害调查表明,单跨框架结构,尤其是层数较多的高层建筑,震害比较严重。因此抗震设计的框架结构不应采用冗余度低的单跨框架。 单跨框架结构是指整栋建筑全部或绝大部分采用单跨框架的结构,不包括仅局部为单跨框架的框架结构。当单跨框架结构中,设置有一定数量的剪力墙时,可以在抗震设计中采用;当一栋建筑物内,除单跨框架外,还有一定数量的多跨(包括双跨)框架时,也可在抗震设计中采用;其他情况应根据具体情况进行分析、判断。 2.1.9 抗震设防烈度为6度及以上地区的建筑,必须进行抗震设计。 数十年来,很多6度地震区发生了较大的地震,甚至特大地震,例如1976年的唐山地震和2008年的汶川地震,因此,对于6度区的建筑不能忽视抗震问题。尤其是在结构体系、结构市置和配筋构造上要考虑抗震要求,以减轻地震灾害。 《建筑抗震设计规范》GB 50011-2010已明确制定强制性条文要求:6度时的不规则建筑及建造于Ⅳ类场地上较高的高层建筑,应进行多遇地震作用下的截面抗震验算及相应的变形验算。 2.1.10 由于Ⅱ、Ⅲ类场地地震作用相差较大,因此设计时应注意,对于Ⅱ类与Ⅲ类分界线附近(指相差±15%的范围)的建筑,《建筑抗震设计规范》GB 50011-2010第4.1.6条规定“当有可靠的剪切波速和覆盖层厚度且其值处于表4.1.6所列场地类别的分界线附近时,应允许按插值方法确定地震作用计算所用的设计特征周期。”具体插值的方法可按《建筑抗震设计规范》GB 50011-2010条文说明第4.1.6条进行。 2.1.11 设计说明中应写明:在设计使用年限内未经技术鉴定或设计许可,不得改变结构的用途和使用环境。 2.1.12 为节约钢材,当构件受力而配置钢筋时,应优选强度等级较高的钢筋。目前《混凝土结构设计规范》GB 50010-2010新增了500MPa级高强钢筋,淘汰了235MPa级低强度钢筋,应注意选用。 2.1.13 抗震等级为一、二、三级的框架和斜撑构件(含梯段),其纵向受力钢筋采用普通钢筋时,钢筋的抗拉强度实测值与屈服强度实测值的比值不应小于1.25;钢筋的屈服强度实测值与屈服强度标准值的比值不应大于1.3,且钢筋在最大拉力下的总伸长率实测值不应小于9%。 除上述钢筋外,其余钢筋应按《混凝土结构设计规范》GB 50010-2010执行,满足在最大受力情况下的总伸长率的要求。 2.1.14 在梁的配筋密集区域等处的钢筋可采用并筋的配置形式。直径28mm及以下的钢筋并筋数量不应超过3根;直径32mm的钢筋并筋数量宜为2根;直径36mm及以上的钢筋不应采用并筋。并筋应按单根等效钢筋进行计算,等效钢筋的等效直径应按截面面积相等的原则换算确定。 并筋采用绑扎搭接连接时,应按每根单筋错开搭接的方式连接。接头面积百分率应按同一连接区段内所有的单根钢筋计算。并筋中钢筋的搭接长度应按单筋分别计算。具体内容参见附录E。